Product
Главная » Продукты » Мешалка и смеситель уплотнение

Технические параметры:
Давление: ≤1.6MPa/≤1.6MPa
Ско¬рость: ≤2m/s/≤5m/s
Температура: -30˚C~+200˚C/-80˚C~+250˚C
● Подвижное кольцо(карбид кремния/углеграфит/карбид вольфрама)
● Неподвижное кольцо(карбид кремния/карбид вольфрама/керамика)
● Вспомогательное уплотнение(фторкаучук/обшивной круг/тефлон)
● Другие детали (нержавеющая сталь/титан/Hastelloy-C)
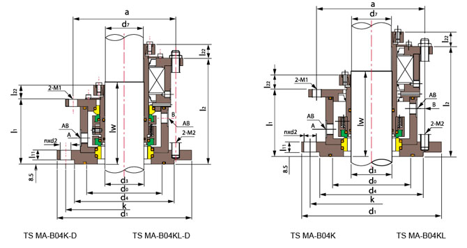
| d31(mm) | d71 | d1 | nxd2 | d4 | d0 | k | l1 | l2 | lW2 | l11 | l22 | a | M1 | M2 | A,B |
| 40 | 38 | 175 | 4x18 | 110 | 90 | 145 | 110.5 | 159.5 | 143 | 15 | 28 | 122 | M12 | M16 | G3/8 |
| 50 | 48 | 240 | 8x18 | 176 | 135 | 210 | 114.5 | 174.5 | 148 | 17 | 28 | 157 | M12 | M16 | G3/8 |
| 60 | 58 | 240 | 8x18 | 176 | 135 | 210 | 119 | 181.5 | 158 | 17 | 28 | 168 | M12 | M16 | G3/8 |
| 80 | 78 | 275 | 8x22 | 204 | 155 | 240 | 133 | 217.5 | 168 | 20 | 34 | 203 | M16 | M20 | G1/2 |
| 100 | 98 | 305 | 8x22 | 234 | 190 | 270 | 137.5 | 218.5 | 178 | 20 | 34 | 228 | M16 | M20 | G1/2 |
| 125 | 120 | 330 | 8x22 | 260 | 215 | 295 | 138.5 | 233.5 | 203 | 20 | 40 | 268 | M20 | M20 | G1/2 |
| 140 | 135 | 395 | 12x22 | 313 | 250 | 350 | 152.5 | 250.5 | 208 | 20 | 40 | 285 | M20 | M20 | G1/2 |
| 160 | 150 | 395 | 12x22 | 313 | 265 | 350 | 161 | 253 | 213 | 25 | 40 | 297 | M20 | M20 | G1/2 |
| 180 | 170 | 445 | 12x22 | 364 | 310 | 400 | 166 | 263.5 | 233 | 25 | 45 | 332 | M24 | M20 | G1/2 |
| 200 | 190 | 445 | 12x22 | 364 | 310 | 400 | 171 | 271 | 243 | 25 | 45 | 352 | M24 | M20 | G1/2 |
| 220 | 210 | 505 | 16x22 | 422 | 340 | 460 | \ | \ | 263 | 25 | \ | \ | M24 | M20 | G1/2 |
1)Диаметры валов D3 и D7 по DIN 28154
2)Шаг валов по DIN 28154
Добро пожаловать на наш сайт! Если у Вас есть требования или вопросы, пожалуйста, оставьте сообщение, мы ответим Вам в течение 24 часов!