Product
Главная » Продукты » Мешалка и смеситель уплотнение

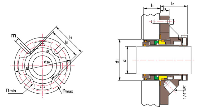
Технические параметры:
Давление: ≤2.1MPa
Ско¬рость: ≤25m/s
Температура: -30˚C~+220˚C
● Подвижное кольцо(карбид кремния/углеграфит/карбид вольфрама)
● Неподвижное кольцо(карбид кремния/карбид вольфрама)
● Вспомогательное уплотнение(фторкаучук/обшивной круг/тефлон)
● Другие детали (нержавеющая сталь/титан/Hastelloy-C)
| d(инч) | d26 | l4 | l5 | l3 | d1 | n | m | l1 | l2 | K | |||
| min | mint | max | min | max | max | max | |||||||
| 1.000 | 4.125 | 2.125 | 1.937 | 0.519 | 1.625 | 1.665 | 1.937 | 2.687 | 3.562 | 1/2 | 1.125 | 1.590 | 0.040 |
| 1.125 | 4.250 | 2.250 | 2.063 | 0.519 | 1.750 | 1.790 | 2.062 | 2.812 | 3.687 | 1/2 | 1.125 | 1.590 | 0.040 |
| 1.250 | 4.375 | 2.375 | 2.187 | 0.519 | 1.875 | 1.915 | 2.187 | 2.937 | 3.812 | 1/2 | 1.125 | 1.590 | 0.040 |
| 1.375 | 4.375 | 2.500 | 2.312 | 0.519 | 2.000 | 2.040 | 2.250 | 3.062 | 3.812 | 1/2 | 1.125 | 1.590 | 0.040 |
| 1.500 | 5.000 | 2.812 | 2.562 | 0.644 | 2.250 | 2.290 | 2.375 | 3.375 | 4.437 | 1/2 | 1.125 | 1.752 | 0.040 |
| 1.625 | 5.000 | 2.812 | 2.562 | 0.644 | 2.375 | 2.415 | 2.500 | 3.375 | 4.437 | 1/2 | 1.125 | 1.752 | 0.040 |
| 1.750 | 5.500 | 3.187 | 2.812 | 0.644 | 2.500 | 2.540 | 2.750 | 3.750 | 4.937 | 1/2 | 1.125 | 1.752 | 0.040 |
| 1.875 | 5.500 | 3.187 | 2.812 | 0.644 | 2.625 | 2.665 | 2.875 | 3.750 | 4.937 | 1/2 | 1.125 | 1.752 | 0.040 |
| 2.000 | 6.000 | 3.562 | 3.063 | 0.644 | 2.750 | 2.790 | 3.000 | 4.125 | 5.437 | 1/2 | 1.125 | 1.752 | 0.040 |
| 2.000-AC | 5.250 | 3.450 | 3.035 | 0.644 | 2.750 | 2.790 | 3.000 | 4.000 | 4.750 | 1/2 | 1.125 | 1.752 | 0.040 |
| 2.125 | 6.000 | 3.562 | 3.063 | 0.644 | 2.875 | 2.915 | 3.125 | 4.125 | 5.437 | 1/2 | 1.125 | 1.752 | 0.040 |
| 2.250 | 6.500 | 3.812 | 3.312 | 0.644 | 3.000 | 3.040 | 3.250 | 4.500 | 5.812 | 5/8 | 1.125 | 1.752 | 0.040 |
| 2.375 | 6.500 | 3.812 | 3.312 | 0.644 | 3.125 | 3.165 | 3.375 | 4.500 | 5.812 | 5/8 | 1.125 | 1.752 | 0.040 |
| 2.500 | 7.000 | 4.312 | 3.812 | 0.769 | 3.375 | 3.435 | 3.625 | 5.000 | 6.312 | 5/8 | 1.250 | 1.877 | 0.060 |
| 2.625 | 7.000 | 4.312 | 3.812 | 0.769 | 3.500 | 3.560 | 3.750 | 5.000 | 6.312 | 5/8 | 1.250 | 1.877 | 0.060 |
| 2.750 | 7.000 | 4.312 | 3.812 | 0.769 | 3.625 | 3.685 | 3.875 | 5.000 | 6.312 | 5/8 | 1.250 | 1.877 | 0.060 |
| 2.875 | 7.500 | 4.937 | 4.250 | 0.769 | 3.750 | 3.810 | 4.125 | 5.625 | 6.812 | 5/8 | 1.250 | 1.877 | 0.060 |
| 3.000 | 7.500 | 4.937 | 4.250 | 0.769 | 3.875 | 3.935 | 4.250 | 5.625 | 6.812 | 5/8 | 1.250 | 1.877 | 0.060 |
| 3.125 | 7.500 | 4.937 | 4.250 | 0.769 | 4.000 | 4.060 | 4.375 | 5.625 | 6.812 | 5/8 | 1.250 | 1.877 | 0.060 |
| 3.250 | 8.000 | 5.312 | 4.625 | 0.769 | 4.125 | 4.185 | 4.500 | 6.125 | 7.187 | 3/4 | 1.250 | 1.877 | 0.060 |
| 3.375 | 8.000 | 5.312 | 4.625 | 0.769 | 4.250 | 4.310 | 4.625 | 6.125 | 7.187 | 3/4 | 1.250 | 1.877 | 0.060 |
| 3.500 | 8.000 | 5.312 | 4.625 | 0.769 | 4.375 | 4.435 | 4.750 | 6.125 | 7.187 | 3/4 | 1.250 | 1.877 | 0.060 |
| 3.625 | 8.500 | 5.937 | 5.000 | 0.769 | 4.500 | 4.560 | 5.000 | 6.750 | 7.687 | 3/4 | 1.250 | 1.877 | 0.060 |
| 3.750 | 8.500 | 5.937 | 5.000 | 0.769 | 4.625 | 4.685 | 5.125 | 6.750 | 7.687 | 3/4 | 1.250 | 1.877 | 0.060 |
| 3.875 | 8.500 | 5.937 | 5.000 | 0.769 | 4.750 | 4.810 | 5.250 | 6.750 | 7.687 | 3/4 | 1.250 | 1.877 | 0.060 |
| 4.000 | 9.000 | 6.625 | 5.375 | 0.769 | 4.875 | 4.935 | 5.500 | 7.437 | 8.187 | 3/4 | 1.250 | 1.877 | 0.060 |
| 4.125 | 9.000 | 6.625 | 5.375 | 0.769 | 5.125 | 5.185 | 5.875 | 7.437 | 8.187 | 3/4 | 1.250 | 1.877 | 0.060 |
| 4.250 | 9.000 | 6.625 | 5.375 | 0.769 | 5.125 | 5.185 | 5.875 | 7.437 | 8.187 | 3/4 | 1.250 | 1.877 | 0.060 |
| 4.375 | 9.500 | 7.000 | 5.750 | 0.769 | 5.375 | 5.435 | 6.250 | 7.812 | 8.687 | 3/4 | 1.250 | 1.877 | 0.060 |
| 4.500 | 9.500 | 7.000 | 5.750 | 0.769 | 5.375 | 5.435 | 6.250 | 7.812 | 8.687 | 3/4 | 1.250 | 1.877 | 0.060 |
| 4.625 | 10.000 | 7.345 | 6.125 | 0.769 | 5.625 | 5.685 | 6.625 | 8.312 | 9.062 | 7/8 | 1.250 | 1.877 | 0.060 |
| 4.750 | 10.000 | 7.345 | 6.125 | 0.769 | 5.625 | 5.685 | 6.625 | 8.312 | 9.062 | 7/8 | 1.250 | 1.877 | 0.060 |
| 4.875 | 10.000 | 7.345 | 6.125 | 0.769 |
5.875
|
5.935 | 6.625 | 8.312 | 9.062 | 7/8 | 1.250 | 1.877 | 0.060 |
| 5.000 | 10.000 | 7.345 | 6.125 | 0.769 | 5.875 | 5.935 | 6.625 | 8.312 | 9.062 | 7/8 | 1.250 | 1.877 | 0.060 |
Добро пожаловать на наш сайт! Если у Вас есть требования или вопросы, пожалуйста, оставьте сообщение, мы ответим Вам в течение 24 часов!