
Технические параметры:
Давление: ≤1.5MPa
Ско¬рость: ≤20m/s
Температура: -20˚C~+120˚C
● Подвижное кольцо(карбид кремния/углеграфит/карбид вольфрама)
● Неподвижное кольцо(карбид кремния/карбид вольфрама)
● Вспомогательное уплотнение(фторкаучук/обшивной круг/тефлон)
● Другие детали (нержавеющая сталь/титан/Hastelloy-C)
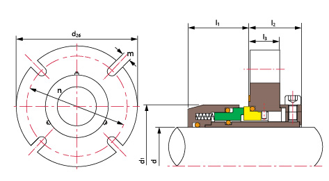
| d(mm) | d26 | d1 | l1 | l2 | n | m | l3 | ||
| max | 10mm | 12mm | 16mm | ||||||
| 35 | 118 | 60 | 39 | 34 | 95 | \ | \ | 12 | 20 |
| 38 | 137 | 95 | 39 | 34 | 114 | \ | \ | 12 | 20 |
| 40 | 128 | 70 | 39 | 34 | 105 | \ | \ | 12 | 20 |
| 45 | 128 | 70 | 39 | 34 | 105 | \ | \ | 12 | 20 |
| 48 | 147 | 105 | 39 | 34 | 124 | \ | \ | 12 | 20 |
| 50 | 150 | 85 | 39 | 34 | \ | 125 | \ | 18 | 20 |
| 50 | 150 | 85 | 39 | 34 | \ | \ | 145 | 18 | 20 |
| 55 | 150 | 85 | 39 | 34 | \ | 125 | \ | 14 | 20 |
| 60 | 160 | 95 | 39 | 34 | \ | 135 | 145 | 18 | 20 |
| 60 | 160 | 95 | 39 | 34 | \ | \ | \ | 18 | 20 |
| 65 | 160 | 102 | 50 | 46 | \ | 135 | \ | 14 | 26 |
| 65 | 173 | 131 | 50 | 46 | 150 | \ | \ | 12 | 26 |
| 70 | 200 | 117 | 50 | 46 | \ | \ | 175 | 18 | 26 |
| 75 | 183 | 140 | 50 | 46 | 160 | \ | \ | 12 | 26 |
| 80 | 199 | 122 | 50 | 46 | \ | \ | 170 | 18 | 26 |
| 85 | 199 | 122 | 50 | 46 | \ | \ | 170 | 18 | 26 |
| 85 | 199 | 132 | 50 | 46 | \ | \ | 190 | 18 | 26 |
| 90 | 209 | 132 | 50 | 46 | \ | \ | 180 | 18 | 26 |
| 95 | 209 | 132 | 50 | 46 | \ | \ | 180 | 18 | 26 |
| 100 | 213 | 171 | 50 | 46 | 190 | \ | \ | 12 | 26 |
Добро пожаловать на наш сайт! Если у Вас есть требования или вопросы, пожалуйста, оставьте сообщение, мы ответим Вам в течение 24 часов!