Описание компании
ООО Шанхай Трисун по изготовлению механических деталей ООО Шанхай Трисун по изготовлению механических деталей является ведущей компанией по разработке и производству уплотнений в жидкой среде. Главный офис находится в Шанхайском Пудонском фин
Классификация продукции

Product

Главная » Продукты » Одинарное & двойное картриджное уплотнение
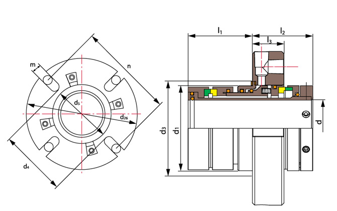
TSDC-J04 (заменять John crane SB2 )mm
название:

TSDC-J04 (заменять John crane SB2 )mm


(картриджное уплотнение )

Технические параметры:
Давление: < 2.1Мпа(диаметр вала≤75мм)
< 1.3Мпа(диаметр вала≤75мм)
Ско¬рость: ≤ 25м/с
Температура: -30˚C ~ +205˚C

Подвижное кольцо(карбид кремния/углеграфит/карбид вольфрама)
Неподвижное кольцо(карбид кремния/углеграфит/карбид вольфрама)
Вспомогательное уплотнение(фторкаучук/обшивной круг/тефлон)
Другие детали (нержавеющая сталь/титан/Hastelloy-C)

 d  (mm) l1 l2 m l3 d1 d3 d4 n d5 d26
35 57 49 13 20 58 79 68 91 62 130
38 59 52 13 23 62 86 72 98 66 130
40 59 52 13 23 62 86 72 98 66 130
43 59 52 13 23 67 89 77 101 70 130~150
45 59 52 13 23 69 93 79 105 75 130~150
48 60 53 13 23 72 93 82 105 75 140~150
50 60 53 13/17 23 74 99 84 111/115 77 140~170
53 60 53 13 24 76 99 86 111 80 140~170
55 64 53 13/17 24 79 99 89 111/115 82 150~170
58 64 53 13 24 83 99 93 111 84 150
60 64 53 13/17 24 85 111 95 123/127 87 150~170
63 72 60 17 25 90 111 99 127 90 160
65 72 60 17 25 93 111 102 127 92 160~170
68 72 60 17 25 95 111 104 127 95 170
70 72 60 17 25 95 139 105 155 98 170~220
80 74 65 17 29 109 139 118 155 111 200~220
85 78 70 17 30 114 149 123 165 111 200~220
90 78 70 17 30 119 149 128 165 120 200~220
95 78 70 17 30 125 149 134 165 125 200
100 76 76 17 34 129 159 138 175 131 220
105 76 76 17 34 135 169 144 175 134 220
110 76 76 17 34 140 169 149 175 139 230
115 76 76 17 34 150 179 160 185 150 230
120 76 76 17 34 157 188 170 194 158 245
125 76 76 17 34 160 189 175 194 170 270
130 84 86 17 36 166 194 180 210 174 280
135 84 86 17 36 172 199 185 215 179 280
140 84 86 17 36 178 206 192 222 187 280

Добро пожаловать на наш сайт! Если у Вас есть требования или вопросы, пожалуйста, оставьте сообщение, мы ответим Вам в течение 24 часов!

Имя: *
Страна: *
Телефон: *
Компания:
E-мейл: *
сообщение: *
Предыдущий ТОВАРЫ:TSDC-J01 (заменять John crane 5620 )инч
Cледующий ТОВАРЫ:TSDC-J05 (заменять John crane 4620P )инч
Яндекс.Метрика Яндекс.Метрика